產品中心

您(nín)當前的位置:首頁 > 產品中心 > 測力傳感器 > 微型拉壓測力傳感器 > GR808 微型拉壓測力傳...

GR808 微型(xíng)拉壓測力傳感器

型號(hào):GR808
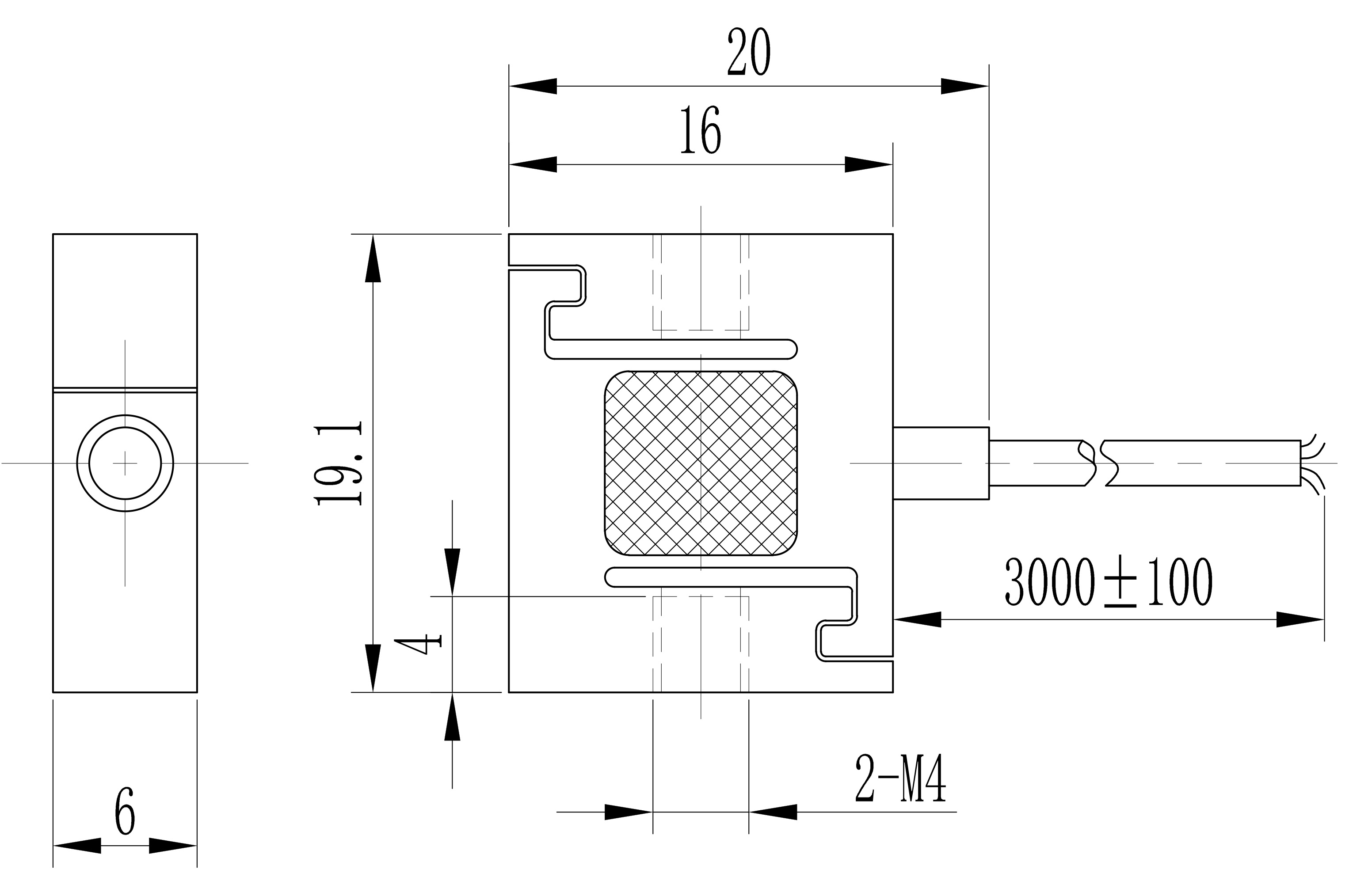
特點及用途:總高度19.1,寬度16,厚度6,可測拉壓雙向力,精度0.05%。動態響應快,主要應用於插拔力測試,按鍵檢測,電腦、手機、汽(qì)車(chē)元器(qì)件安裝測試等。

谘(zī)詢電話:

021-6995 0822

產品介紹

產品特征:

    總高度19.1,寬度16,厚度(dù)6

    可測拉(lā)壓雙向(xiàng)力,精度0.05%

    動態響應快

    主要應用於插拔力測試、按鍵檢測(cè)、電腦、手(shǒu)機、汽車元(yuán)器件安裝測試等。


量(liàng)程及尺(chǐ)寸圖:

gr808尺寸圖
                                      量程: 0~5N~10N~20N~30N~50N~100N~200N~500N                                                        

  技術參數

量程

Capacity

5, 10, 20, 30, 50, 100, 200, 500N

材質

Material

不鏽鋼

輸出靈(líng)敏度

Rated output

2.0 ±10%  mV/V

輸出電阻

Output Impedance

350±3Ω

非線性

Non-linearity

0.05 % F.S.

絕緣電阻

 Insulation

>5000MΩ/10VDC

滯後

Hysteresis

 0.05 % F.S.

使用電壓 

Recommended Excitation

5~10V

重複性

Repeatability

 0.05 % F.S.

最大工作(zuò)電壓 

Excitation max

12V

蠕變(30分(fèn)鍾)

Creep(30min)

0.05 % F.S.

溫度補償範(fàn)圍

Compensated Temp Range

-10~60

溫度靈敏度漂移

Temp Effect On Output

0.05 % F.S./ 10

工作溫度範圍

Operating Temp Range

-20~80

零點溫度漂移

Temp Effect On Zero

0.05 % F.S./ 10

安全負載

Safe Load

120%

防(fáng)護等級

Protection Class

IP 66

極限負載

 Ultimate Load Limit

150%

輸入(rù)阻抗

Input Impedance

350±5Ω

電纜長度

Cable Length

2 x 4000mm

電纜線連接方式

Wire Connection

Ex +: (Red) ;   Ex -: (Black) ;  Sig +: (Green );  Sig -: (White);      
























請輸入搜索(suǒ)關鍵字

確定
91福利导航_91精品福利_爱福利视频网_成人福利网站