產品中心

您當前的位置:首頁 > 產品中心 > 測力傳感器 > 微型壓向測(cè)力(lì)傳感器 > GR708 微型壓向測力傳...

GR708 微型壓向測力傳感器

型號:GR708
特點(diǎn)及用途:外徑15.9,高度16.8,精度0.5%,穩定性強。動態響應快,主要應用於小空間(jiān),小體積中的大力值測量,衝壓設備等

谘詢電話(huà):

021-6995 0822

產品介紹

產品特征:

    微型大量程測(cè)力精度0.5%

    堅固(gù)耐用、高速動態響應

    平麵安裝,平麵受力

    多(duō)用於小空間,小體積中的大力值測量,衝壓設備等。


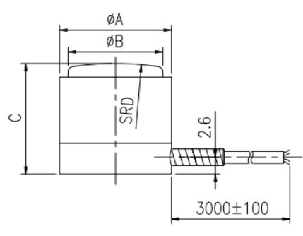
量程及尺寸(cùn)圖:

量程

ΦA

ΦB

H

SR

0~10~25KN

13.4

15.9

16.8

101

0~50~75KN

20.4

22.4

22.4

101

0~100~150KN

28.9

31.8

28.9

127

                                  
                                             

  技術參數

量程

Capacity

10, 20, 25, 50, 75, 100, 150KN

材質

Material

不(bú)鏽鋼

輸出靈敏度

Rated output

1.5±10%  mV/V

輸出電阻

Output Impedance

350±3Ω

非線性

Non-linearity

0.5 % F.S.

絕緣電阻

 Insulation

>5000MΩ/10VDC

滯後

Hysteresis

 0.2 % F.S.

使用電壓 

Recommended Excitation

5~10V

重複性

Repeatability

 0.2 % F.S.

最大工作電壓 

Excitation max

12V

蠕變(biàn)(30分鍾)

Creep(30min)

0.2 % F.S.

溫(wēn)度補償範圍

Compensated Temp Range

-10~60

溫度靈敏度漂移

Temp Effect On Output

0.05 % F.S./ 10

工(gōng)作溫度範圍

Operating Temp Range

-20~80

零點溫度漂移

Temp Effect On Zero

0.05 % F.S./ 10

安全(quán)負載

Safe Load

120%

防護等級

Protection Class

IP 65

極限負載

 Ultimate Load Limit

150%

輸入阻抗

Input Impedance

350±5Ω

電纜長度

Cable Length

2 x 4000m

電纜線連接方(fāng)式

Wire Connection

Ex +: (Red) ;   Ex -: (Black) ;  Sig +: (Green );  Sig -: (White);      
























請輸入搜索關鍵字

確定
91福利导航_91精品福利_爱福利视频网_成人福利网站