GR601 圓柱式測力傳感器
谘詢電話:
021-6995 0822
谘詢電話:
021-6995 0822
產品介(jiè)紹(shào)
產品特征:
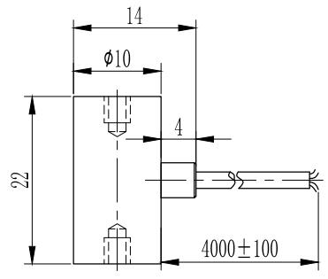
外徑10,高(gāo)度22,精度0.1%
高(gāo)速動態響應
底麵安裝,平麵受力(lì)
主要用於安(ān)裝空間小的力值檢測(cè)領域,如(rú)按鍵檢(jiǎn)測,彈簧力(lì)檢測等
量程及尺寸圖:

|
技術參數 |
|||
|
量程 Capacity |
5,10,20,50,100,200N |
材質 Material |
不鏽鋼 |
|
輸出靈敏度 Rated output |
1.5±10% mV/V |
輸出電阻 Output Impedance |
350±3Ω |
|
非線性 Non-linearity |
0.1 % F.S. |
絕緣電阻(zǔ) Insulation |
>5000MΩ/10VDC |
|
滯後 Hysteresis |
0.1 % F.S. |
使用電壓 Recommended Excitation |
5~10V |
|
重複性 Repeatability |
0.1 % F.S. |
最大工作電壓 Excitation max |
12V |
|
蠕變(30分鍾(zhōng)) Creep(30min) |
0.1 % F.S. |
溫度補償範圍 Compensated Temp Range |
-10~60℃ |
|
溫度(dù)靈敏度漂移 Temp Effect On Output |
0.05 % F.S./ 10℃ |
工作溫度範圍 Operating Temp Range |
-20~80℃ |
|
零點溫度(dù)漂(piāo)移 Temp Effect On Zero |
0.05 % F.S./ 10℃ |
安全負載 Safe Load |
120% |
|
防(fáng)護等級 Protection Class |
IP 66 |
極限負載 Ultimate Load Limit |
150% |
|
輸入阻抗 Input Impedance |
350±5Ω |
電纜長度 Cable Length |
∅2 x 4000mm |
|
電纜線連(lián)接方式 Wire Connection |
Ex +: 紅 (Red) ; Ex -: 黑 (Black) ; Sig +: 綠 (Green ); Sig -: 白 (White); |
||
版權所有©上海91福利导航傳感儀器(qì)有限公司 滬ICP備18024135號-1
請輸入搜(sōu)索關鍵字
確定